Techninė informacija:
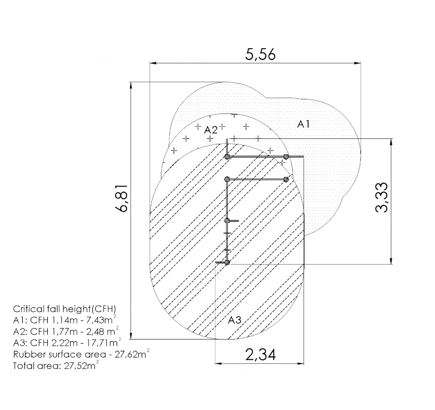
Saugos zonos plotis 5,56 m
Saugos zonos ilgis 6,81 m
Konstrukcijos plotis 2,34 m
Konstrukcijos ilgis 3,33 m
Konstrukcijos aukštis 2,36 m
Didžiausias kritimo aukštis 2,18 m
Rekomenduojamas vaikų amžius 4+
Skirta naudoti keliems vaikams vienu metu 3-6 m.
Produktas susideda iš:
Atramos: 6vnt. Laminuota mediena
Rankenos rankoms ir (arba) kojoms: 2vnt. HDPE plastikas
Vamzdžiai: 6vnt. Cinkuotas ir milteliniu būdu dengtas plienas
Medžiagų versijos:
Standartinis (PE) medžiagos pasirinkimas:
stulpai – klijuota sluoksniuotoji mediena;
platformos, laiptai ir kitos medinės detalės – klijuota laminuota mediena;
stogai ir plokštės – HDPE plastikas; vamzdžiai – cinkuotas ir milteliniu būdu dažytas plienas;
tvirtinimo priedai – nerūdijantis plienas.
Išimtis: Miško spalvų serijos (pistacijų, fuksijų, raudona) platformos, laiptai ir kitos medinės gaminio detalės padengtos dviejų komponentų karštuoju būdu purškiamu plastiku, apsaugančiu nuo nusidėvėjimo.
Medžiagos, nereikalaujančios priežiūros (MF):
stulpeliai – milteliniu būdu dažytas aliuminis;
platformos, laiptai ir kitos medinės dalys padengtos dviejų komponentų karštai purkšto plastiko danga, apsaugančia nuo nusidėvėjimo;
stogai ir plokštės – HDPE plastikas; vamzdžiai – cinkuotas ir milteliniu būdu dažytas plienas;
tvirtinimo priedai – nerūdijantis plienas.
Nurodyta kaina yra PE medžiagų versijos.
Nuoroda: https://www.tiptiptap.ee/en/product/outdoor-exercise-complex-3_TSV012
