FacebookGooglePinterestInstagram
FacebookGooglePinterestInstagram
Search
  • Katalogi
  • Par mums
  • Kontakti
  • Jaunas
  • Preces noliktavā
0 items €0.00
Menu
0 items €0.00
  • Mazā arhitektūra
    • Āra soliņi
    • Soliņu un galdu komplekti
    • Betona āra spēļu galdi
    • Āra klases skolām
    • Atkritumu kastes
    • Koku aizsardzība
    • Velosipēdu statīvi
    • Aizsargstabi un žodziņi
    • Āra puķu kastes
    • Āra pulksteņi
    • Informācijas stendi un rādītāji
    • Ūdens kolonnas un dzeramūdens strūklakas
    • Brīdinājuma virsmas neredzīgajiem — taktiļie indikatori
    • Āra grili
  • Paviljoni un jumti
    • Autobusu pieturas (paviljoni)
    • Smēķēšanas paviljoni — smēķētavas
    • Velosipēdu nojumes
    • Slēdzamas velosipēdu nojumes
    • Pergolas un lapenes
    • Klasiskie kiosks
    • Universālās nojumes
  • Bērnu rotaļlaukumi
    • Rotaļlaukumu segums
    • Bērnu rotaļlaukumi EVO privātmājām
    • Nr.1 pasaulyje KOMPAN
    • Nr.1 Lenkijoje BUGLO
    • Betona āra spēļu galdi
    • Rotaļlaukumu kompleksi
    • Atsperu šūpoles
    • Līdzsvara bumi un šķēršļu joslas
    • Līdzsvara šūpoles
    • Šūpoles
    • Tematiskie rotaļu kompleksi
    • Smilšu kastes
    • Slidkalniņi
    • Batuti bērniem
    • Karuseļi
    • Mūzikas un izglītojošie elementi bērniem
    • Kāpšanas elementi
    • Suņu dresūras laukums
  • Āra apgaismojumi
    • Āra apgaismojumi ECLATEC
    • Klasiskie āra apgaismojumi
    • Āra apgaismojuma stabi GHM-ECLATEC
    • Āra apgaismojuma balsti un kronšteini GHM-ECLATEC
    • Apgaismojumi ar saules baterijām
    • LED āra apgaismojumi BENITO
  • Āra trenažieri

    • KOMPAN lauko treniruokliai
    • Āra trenažieri sērija PD. Tieši no noliktavas
    • Āra trenažieri bērniem no 6 gadiem
    • Āra trenažieri sērija GO
    • WORKOUT āra vingrošanas trenažieri
    • Betona āra spēļu galdi

  • Āra sports

    • Universālie sporta laukumi
    • WORKOUT āra vingrošanas trenažieri
    • PARKOUR
    • URBAN SĒRIJA
    • Skeitparki
    • North Shore elementi
    • Velosipēdu trases
    • Betona āra spēļu galdi

  • Takām un ceļiem

    • Satiksmes joslu ierobežotāji
    • Ātruma ierobežotāji
    • Riteņu aizsargi

  • Automātiskās āra tualetes
  • Viedierīces

    • Viedie soliņi
    • Soliņi ar USB
    • Soliņi ar USB un apgaismojumu
    • Pieturas ar zaļiem jumtiem
    • Velosipēdu nojumes ar zaļiem jumtiem
    • Pieturas ar USB, apgaismojumu un saules bateriju jumtu
    • Viedie elektrovelosipēdu un skūteru statīvi

Sākums Bērnu rotaļlaukumi Suņu dresūras laukums Platforma 00908
Peršokimo kliūtis 00903
Peršokimo kliūtis 00903
Back to products
Tiltelis 00904
Tiltelis 00904

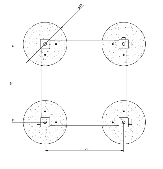
    Platforma 00908

    SKU: 13304

    Matmenys: 80 x 80 x 40 cm

    Medžiagos: Cinkuotas ir dažytas plienas + Neslystanti 18 mm fanera

     

    Saistītie produkti

    Reguliuojamo aukščio barjeras 00901

    Pievienot grozam

    Skriešanas barjeras 00902

    Pievienot grozam

    Peršokimo kliūtis 00903

    Pievienot grozam

    Tiltelis 00904

    Pievienot grozam

    Svyruojantis balansinis buomas 00905

    Pievienot grozam

    Tunelis 00906

    Pievienot grozam

    Rampa 00907

    Pievienot grozam

    Siauras balansinis buomas 00909

    Pievienot grozam

    Stulpai 00910

    Pievienot grozam

    Brīdinājuma ženklas 00900

    Pievienot grozam

    Atkritumu kaste 00911

    Pievienot grozam

    Partneri:

    SIA "UrbanParks"
    Reģ.Nr. 40103160085
    Apogu iela 6-5, Ogre, Ogres novads, LV5001
    Banka: AS "SWEDBANK"
    Bankas kods: HABALV22
    Konts: LV51HABA0551034459998

    • +371 29 198 679
    • info@urbanparks.eu

    SEKO MUMS

    FacebookGooglePinterestInstagram

    © 2026 UrbanParks visas tiesības aizsargātas

    • Privātuma politika
    • Titulinis
    • Produkti
    • Katalogi
    • Preces noliktavā
    • Par mums
    • Kontakti
    • Jaunas

    [gtranslate]

    Shopping cart
    Close
    Site is undergoing maintenance

    Urbanparks.eu

    Maintenance mode is on

    Site will be available soon. Thank you for your patience!

    © Urbanparks.eu 2026
    Lost Password